Select Projects
Clients
About
Resumé
Select Projects
Clients
About
Resumé
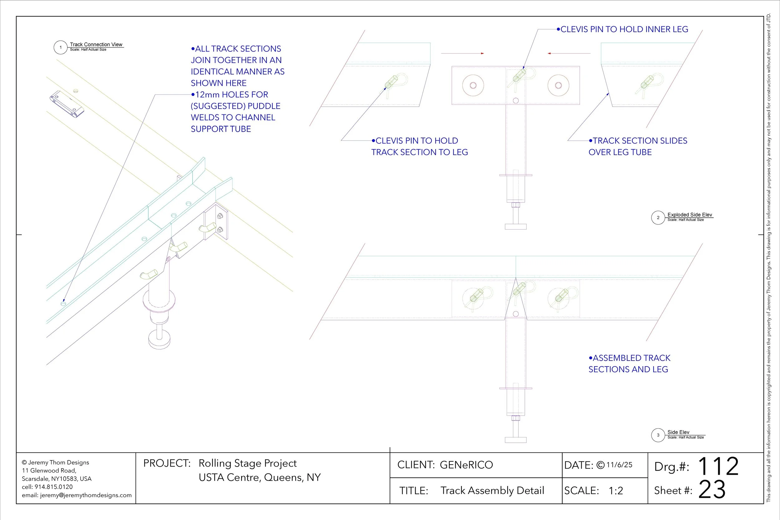
•PROJECT NAMES & DATES SHOWN IN TITLE BLOCKS
USSA - Big Air Ski Jump - Atlanta Suntrust Stadium 2019
View fullsize
View fullsize
View fullsize
View fullsize